Contenido
- 1 ¿Qué es el cañón de humo Varomor?
- 2 Cómo funciona el cañón de humo
- 3 Cómo hacer un cañón de humo Varomor con tus propias manos.
- 4 Instrucciones para usar el cañón de humo Varomor
- 5 Causas del mal funcionamiento del cañón de humo Varomor y la posibilidad de su eliminación.
- 6 Precauciones de seguridad al trabajar con el dispositivo
- 7 Conclusión
Un cañón de humo de bricolaje para procesar abejas se ensambla a partir de un bote de gas y varias piezas de automóvil. El dispositivo "Varomor" ayuda al apicultor a fumigar las colmenas, a realizar procedimientos médicos para las abejas. Si no puede montar un cañón de humo usted mismo, siempre puede encontrar el producto en una apicultura.
¿Qué es el cañón de humo Varomor?
De acuerdo con las instrucciones en apicultura, se usa un cañón de humo para fumigar las colmenas de una garrapata. El dispositivo "Varomor" está equipado con un recipiente donde se llena el medicamento. Durante el calentamiento, la evaporación de la solución irrita a las abejas. Los insectos en la etapa de agresión aceleran el movimiento, por lo que las garrapatas hierven independientemente de su cuerpo.
Cómo funciona el cañón de humo
Antes de comprender el principio de funcionamiento, debe estudiar el dispositivo "Varomor". El cañón de humo consta de las siguientes unidades:
- recipiente para verter la solución curativa;
- tapa del recipiente;
- bomba para bombear una solución medicinal;
- palanca de control de la bomba;
- tornillo de ajuste para dosificación de líquido;
- unidad de filtrado de la solución medicinal;
- cilindro lleno de gas;
- anillo de fijación de globo;
- válvula de suministro y regulación de gas;
- quemador;
- boquilla;
- gatillo de encendido, que acciona el elemento piezoeléctrico.
El peso "Varomor" es de unos 2 kg. Dimensiones: largo - 470 mm, alto - 300 mm, ancho - 150 mm. El rendimiento de un dispositivo configurado correctamente alcanza las 100 colmenas en 2-3 horas. La probabilidad de matar garrapatas es del 99% en promedio.
El cañón de humo se ha modernizado a lo largo de su existencia. La mejora del dispositivo "Varomor" ayudó a lograr un funcionamiento estable, un consumo de gas económico y una mejor evaporación de la solución medicinal.
El trabajo de "Varomor" se asemeja a una mezcla de una pistola rociadora con un soplete:
- el tanque está lleno de una solución medicinal;
- girando hacia la izquierda, abra la válvula de gas;
- cuando se presiona el gatillo del cañón de humo, el gas ingresa al quemador y, al mismo tiempo, el elemento piezoeléctrico emite una chispa;
- después de la aparición de la llama, se deja que el quemador se caliente durante 1-2 minutos;
- la válvula se utiliza para regular la llama, que no debe salir disparada del quemador del cañón de humo;
- el suministro de la solución medicinal se inicia soltando suavemente la palanca de accionamiento tirada hasta el tope;
- el dispensador entrega aproximadamente 1 cm al quemador al rojo vivo "Varomora"3 solución medicinal;
- al entrar en contacto con el metal caliente, el líquido se convierte en vapor y sale por la boquilla.
Una vez ajustada la vaporización óptima, la boquilla de la pistola de humo se introduce en la entrada de la colmena a una profundidad de 3 cm. Dependiendo de la droga utilizada, se sirven a las abejas 2-5 bocanadas de vapor.
Cómo hacer un cañón de humo Varomor con tus propias manos.
Si hay un par de repuestos adecuados de un automóvil en casa, se ensambla un cañón de humo de bricolaje en forma de boquilla en un bote de gas. Pueden surgir dificultades debido a la necesidad de realizar trabajos de torneado.
En el video, un cañón de humo para abejas:
Recogida y preparación de componentes
Se ensambla un cañón de humo casero para procesar abejas a partir de los siguientes elementos:
- recipiente de plástico resistente con tapa sellada para solución medicinal;
- calentador de gas casero o de fábrica;
- piezas de automóvil (bomba de combustible, tubo de freno, carcasa parachispas);
- boquillas, un conjunto de hardware;
- bote de gas.
Algunas de las piezas se pueden encontrar en el garaje o comprar en la tienda. Se deberá consultar a los volteadores para ajustar las partes de la pistola de humo y enhebrar las roscas.
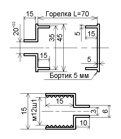
Dibujo de bricolaje para recoger el cañón de humo Varomor
Un buen cañón de humo para abejas se ensambla con un quemador "Atex". El elemento se fija y se quita fácilmente gracias a los tornillos de sujeción. Para desconectar el quemador, afloje el perno en la brida y el tanque. El elemento se gira 90sobre, después de lo cual se desprende fácilmente.
La bobina se dobla a partir de un tubo de cobre con un diámetro de 6 mm. El espesor de sus paredes es de al menos 3 mm. El diámetro interior del tubo también es de 3 mm. Debido a las gruesas paredes de metal que absorbe el calor, la bobina de la pistola de humo se calienta rápidamente, pero se enfría por más tiempo.
Las dimensiones óptimas de un quemador casero son 70x35 mm. La carcasa exterior está doblada en una hoja de acero inoxidable. En la brida y el enchufe del quemador, se proporciona un borde de aproximadamente 5 mm para un fácil montaje de la estructura. Después de conectar las piezas, se perforan agujeros en la carcasa con un diámetro y un paso de 6 mm entre sí. Un mango está soldado a la brida. El otro extremo del tubo de cobre se sujeta arbitrariamente al cilindro de gas con una abrazadera. La boquilla de pulverización está hecha con un diámetro de 15 mm. La pieza se gira en un torno o la boquilla se retira de una estufa de gas doméstica.
Montaje de un cañón de humo para manipular abejas
Se ensambla de acuerdo con las instrucciones del cañón de humo para procesar abejas en el siguiente orden:
- Conecte la bombona de gas al quemador. Los hilos se cortan en un tubo de cobre, los accesorios se atornillan. La conexión roscada FUM está sellada con cinta.
- El tubo se forma en una espiral de cinco vueltas. El diámetro exterior de la pieza de trabajo es 10 mm menor que el grosor de la bombilla parachispas. La espiral se coloca dentro de la cola hacia el final para un mejor calentamiento. Una boquilla de una estufa de gas doméstica se atornilla en el extremo del tubo.
- El matraz parachispas está perforado. Se suelda una tira con un agujero al frente para asegurar el tubo de cobre. Se adjunta un acoplamiento a la parte posterior del matraz para la conexión al quemador. Después del montaje, el borde del quemador debe extenderse 10 mm más allá de la brida. Las piezas de trabajo están conectadas mediante soldadura. Puede perforar agujeros en la brida y apretar con pernos.
- Instale un recipiente de plástico para la solución. Es adecuado un matraz de una pistola rociadora con una capacidad de 200 mm.
Después de ensamblar todos los elementos, el suministro de solución se calibra con una bomba de combustible. Se perfora un agujero en el centro del pie, se inserta un tornillo. Se inyecta una solución en la boquilla, la alimentación se ajusta a 1 cm3 líquidos.
En el video, el principio de ensamblaje "Varomor":
Instrucciones para usar el cañón de humo Varomor
En el cañón de humo "Varomor" comprado en la tienda, la instrucción muestra claramente las reglas de aplicación al fumigar una familia de abejas. El montaje se realiza en la calle, ya que el producto prevé el uso de una bombona de gas. El proceso consta de varios pasos:
- desatornille lentamente el anillo de presión en el cartucho de gas;
- la válvula de gas se desplaza hacia la derecha;
- el cilindro se inserta con el lado de trabajo en el soporte de conexión del quemador;
- el anillo de sujeción se aprieta a lo largo del hilo hasta que la aguja perfora la boca obstruida de la lata.
Si Varomor no tiene defectos, no se producirán fugas de gas. Después de fumigar las abejas, el globo usado se envía para su eliminación. No puede repostarlo. Para la próxima fumigación de las abejas para el cañón de humo, compran un cilindro nuevo.
Cómo preparar soluciones para un cañón de humo.
Prepare de acuerdo con las instrucciones una solución para la pistola de humo "Varomor" de medicamentos y disolventes.
Solución para abejas No. 1
El alcohol etílico con ácido oxálico se calienta a 50ºC. sobreC. Es óptimo dar preferencia al baño de agua. Después de disolver la materia seca, agregue timol.Las proporciones se toman en una proporción de 100 ml: 15 g: 15 g, respectivamente.
Solución para abejas No. 2
La segunda solución para una pistola de humo consiste en mezclar queroseno purificado con un fármaco: "Bipin", "Tactic". El líquido terminado debe volverse blanco. Las proporciones se toman en una proporción de 100 ml: 5 g, respectivamente.
Solución para abejas No. 3
La droga "Tau-fluvanilate" se agrega al agua, se calienta a una temperatura de 50 sobreC. Utilice de manera óptima un baño de agua. La droga debe estar completamente disuelta. Las proporciones se toman en una proporción de 100 ml a 5 ml, respectivamente.
La solución de abeja preparada de acuerdo con cualquier receta se filtra para que los cristales restantes no obstruyan la bomba y los canales del cañón de humo. El líquido se vierte en el tanque Varomora y las abejas se fumigan.
Cómo lograr una abundante emisión de humo del cañón de humo Varomor
La intensidad de la formación de bocanadas de humo de Varomor depende del uso correcto. Antes de fumigar abejas, el cañón de humo debe calentarse durante al menos 2 minutos. Cuando el quemador Varomor se calienta, la solución se bombea con la manija de la bomba. Un golpe del mango introduce 1 cm en el sistema3 líquidos. Para aumentar la porción de humo, vuelva a apretar el mango del "Voramor" hacia sí mismo tanto como sea posible y aliméntelo hacia adelante.
Curación de abejas con un cañón de humo.
El tratamiento de las abejas con un cañón de humo ocurre en la siguiente secuencia:
- Desenrosque la tapa del tanque de llenado del Varomor. Se vierte una solución médica filtrada para abejas. La tapa se vuelve a colocar en su lugar. Compruebe si hay fugas de fluido.
- Girando la manija de la válvula hacia la izquierda, abra el cilindro de gas. Al presionar el gatillo, se enciende el encendedor. La combustión del cañón de humo está regulada para que la llama no salga volando del quemador.
- "Varomor" se calienta durante al menos 2 minutos. Con la experiencia, la preparación de un cañón de humo para el trabajo se determina intuitivamente.
- Después de calentar con el mango de la bomba, se bombea al sistema una solución de tratamiento para abejas. Con un golpe del mango, se alimentará 1 cm.3 líquidos. Cuando sale vapor espeso por la boquilla de la pistola de humo, comienzan a fumigar a las abejas.
- El pico “Varomora” se introduce en la colmena a través de la entrada a una profundidad de 3 cm. Cuando se usa la solución para abejas No. 1, se liberan de 4 a 5 bocanadas de vapor. Si se utilizan soluciones de abejas n. ° 2 o n. ° 3, haga 1-2 bocanadas de humo.
- Al final de la fumigación de las abejas, se cierra el grifo de gas del cañón de humo.
Las abejas se fumigan 45 días antes del primer bombeo de miel y también 7 días después de la última temporada de bombeo. Si hay cría de abejas en la colmena, se realizan 4 fumigaciones cada tres días. En otoño, las abejas se fumigan con un cañón de humo a una temperatura de + 2-8 sobreDESDE.
Causas del mal funcionamiento del cañón de humo Varomor y la posibilidad de su eliminación.
Si sale poco humo del cañón de humo Varomor, se puede suponer que la bomba o los canales de alimentación están obstruidos. Tal descomposición es más común cuando se vierte una solución de abeja sin filtrar. La acumulación de sedimentos sólidos ocurre cuando ignora el lavado del sistema Varomora después de fumigar a las abejas.
Es difícil limpiar los conductos y la bomba de la pistola de humo. Lavar el sistema Varomora con queroseno después de cada tratamiento de abejas ayuda a prevenir averías.
Precauciones de seguridad al trabajar con el dispositivo
"Varomor" se considera un dispositivo condicionalmente peligroso debido al uso de un cilindro de gas. Sin embargo, sujeto a las reglas de operación, el dispositivo no dañará al apicultor ni al medio ambiente:
- “Varomor” no debe encenderse cerca de sustancias explosivas e inflamables;
- no exponga la pistola de humo a esfuerzos mecánicos, de lo contrario se producirán fugas de gas o solución medicinal debido al daño;
- en el proceso de fumigación, no debe comer, fumar, beber;
- los órganos respiratorios durante el tratamiento de las abejas están protegidos con un respirador;
- guarde el cañón de humo en el cuarto de servicio sin el cilindro de gas.
Al realizar el mantenimiento, el usuario puede usar queroseno para el cañón de humo, para limpiar el sistema con él.Es imperativo que el filtro del dispensador se lave por separado. Cuando se usa la solución para abejas No. 1, el sistema se lava con vinagre, disolviendo 1 cucharada. l. ácido en 100 ml de agua pura. No se puede realizar ningún otro desmontaje. Todas las unidades del cañón de humo están selladas. Romper el sello tendrá malas consecuencias. Las reparaciones calificadas son realizadas únicamente por técnicos de servicio.
Conclusión
Cualquier especialista en torneado puede montar un cañón de humo de bricolaje. Sin embargo, los productos caseros no garantizan un funcionamiento seguro. Es mejor comprar "Varomor" de fábrica. Los cañones de humo están probados y son completamente seguros.












